
Industry news|2022-04-20| admin

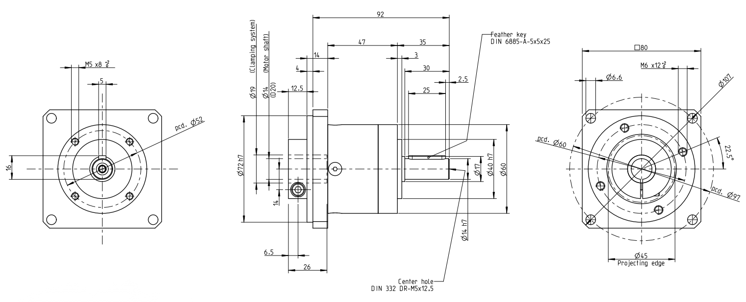
NEUGART gearbox PLE drawing

PLE gearbox 3D model
PLE40 gearbox drawing download
PLE60 gearbox drawing download
PLE80 gearbox drawing download
PLE120 gearbox drawing download
PLE160 gearbox drawing download
